會員登入
|
註冊
0
購物車資料讀取中...
MENU
首頁
會員登入
會員註冊
購物商城
關於金牌大師
歷史沿革
滴雞精特色
門市與經銷
最新訊息
安心檢驗
影音專區
熟食專區
Contact
門市地址::
台中市西區公館路248號
營業時間:星期一~星期六09:00-18:00,星期例假日休息
客服專線:
(04) 2371-9750
客服信箱:
service@goldenchef.com.tw
安心檢驗
生產流程與產品皆通過國際驗證為食安把關
通過SGS檢驗,均未驗出
荷爾蒙&動物用藥
大腸桿菌
動物用藥
防腐劑
荷爾蒙
總生菌數
* 2024年最新報告_防腐劑
* 2026年
最新報告_金黃色葡萄球菌、沙門氏桿菌、單核球增多性李斯特菌
*
2025年最新報告_動物用藥48項
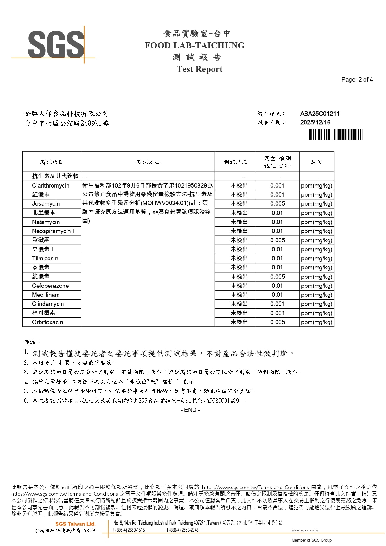
* 2025年最新報告_抗生素
* 2022年最新報告_塑化劑
* 2024年最新報告_荷爾蒙
* 2024年最新報告_重金屬
* 2025年最新報告_抗原蟲多重殘留
金牌大師滴雞精-八大營養素報告
(下載檢驗報告)
工廠通過TPAP食品良好衛生規範驗證
發票捐贈創世基金會收據
114年11月捐贈發票
114年10月捐贈發票
全部商品
Line客服
電話訂購
會員專區
0
結帳
搜尋
×
Line客服
電話訂購
結帳 (
0
)
瀏覽紀錄
Top
歷史沿革
滴雞精特色
門市與經銷